Peugeot 309
search
  • Peugeot 309

Peugeot 309

€ 285,88
Valor sem impostos (Faça login ou crie uma conta para visualizar o valor com impostos incluídos) Envio no prazo de 10 a 20 dias úteis
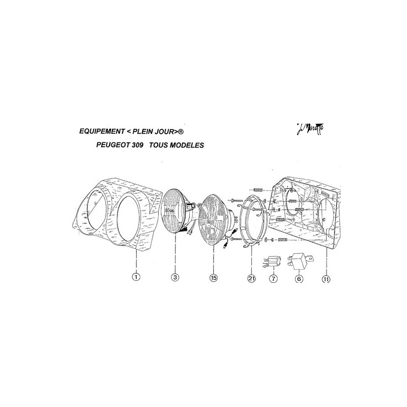
Peças Sobressalentes H4: A. Lado esquerdo completo
Quantidade
Peças em stock, prontas para montagem

  Pagamentos seguros: aceitamos cartão ou transferência

Kit completo,podem aplicar-se direitos aduaneiros/impostos fora da UE

All you need to repair, restore or update your headlights

Same parts as per originals, made on original Morette moulds,

Part reference and Morette logo on all plastic parts,

Please note, Valeo does not produce the optics any more, those are Morette approved optics from now. Remember to buy 2 units, one for both side to keep your homologation

Do not hesitate to contact us if you have any doubts or need information: info@morette.com

Comentários (0)
De momento, sem avaliações.